new user connection issue

Discussions related to NDSII Windows PC software.
Post Reply
jolav
Posts: 3
Joined: 31 Jul 2021, 05:40

new user connection issue

Post by jolav »

Hi all,
OK a little bit of background, I have a nissan Frontier 2006 CC with ABS/Slip/VCD. When purchased, 4 years ago, I knew the truck had ABS issue but since I confident in my abilities to do mechanic and electronic diagnostic this didn't changed my mind especially with the price.
So fast forward 2 years of simple parts changing (ABS sensors, and others) I still had the issue so I dove deeper and found out that I won the stupid issue lottery. A broken wire for my rear driver ABS sensor in the middle of the rear main harness , with absolutely no signs of pull on the harness or the other cables. after fixing this TADA!!! all works good, for a little while :( .Getting there guys, Now my ABS is OK but the Slip/VCD is now intermittent with no apparent definitive reasons, the warning light will turn on (deactivate the system) whenever and not all the time. Normally just a quick stop on the side of the road putting the truck off and on again to reset and I good for an indeterminate amount of time.
Here why I recently purchase the NDS2 to be able to monitor my ABS/Slip/VCD system with live data, but to my deception the only thing I can connect to as of now is the ECU.

I understand that on the main page of the NDS2 it is mention that I will not be able to connect over DDL1, so before purchasing I did my research and was pretty sure that I was OK, you'll se in the pictures that my truck have no DDL1 wire for communication which should be located on pin 12-13.

So from my understanding I should be able to monitor and communicate to ALL modules on my truck but I don't.

The only other issue I can see is that I do not have the correct adaptor to read CAN, but I purchased the supported adaptor from the link in the nisscan web page which send me to "conceptzperformance". Their service is amazing and shipping to Canada was very quick. Their cable mention (VAG-KKL) on it. When I look at the other supporter adaptor I can see that some are called (VAG-K+CAN) and this could make a difference.

Honestly I do not mind purchasing another cable if I need to, specially if I should have read better, but I want to make sure "AGAIN" before I do now. Specially that when I try the links (again from nisscan.com/NDS2/supported adaptor) the links for VAG-K+CAN on ebay are not functioning and I can't find the exact same item description. all other items are close and looks ok but I'm not sure anymore.

All that to ask for help, hope I gave enough info for someone to help me and also if there is someone else like me that try to confirm the info before doing a move.
Attachments
highlighted are were there is wires on my OBD2 connector
highlighted are were there is wires on my OBD2 connector
frontier-OBD2 connector.JPG (41.83 KiB) Viewed 12491 times
Frontier-lan can line.JPG
Frontier-lan can line.JPG (78.85 KiB) Viewed 12491 times
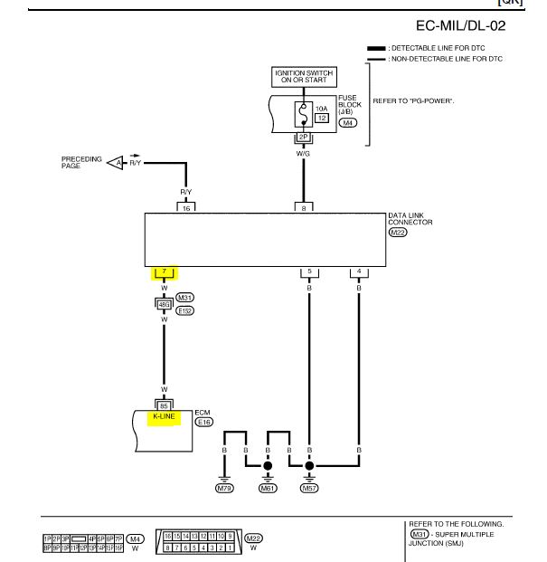
Frontier-K line.JPG
Frontier-K line.JPG (38.56 KiB) Viewed 12491 times
jolav
Posts: 3
Joined: 31 Jul 2021, 05:40

Re: new user connection issue

Post by jolav »

attached the other pictures that I used to make my research
Attachments
Frontier-DDL1 example.JPG
Frontier-DDL1 example.JPG (53.65 KiB) Viewed 12490 times
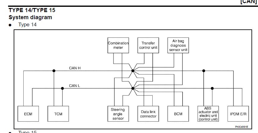
frontier-type of system-14.JPG
frontier-type of system-14.JPG (48 KiB) Viewed 12490 times
frontier-type of system.JPG
frontier-type of system.JPG (74.65 KiB) Viewed 12490 times
jolav
Posts: 3
Joined: 31 Jul 2021, 05:40

Re: new user connection issue

Post by jolav »

and this is the adaptor I got/purchased
Attachments
VAG-KKL.JPG
VAG-KKL.JPG (42.35 KiB) Viewed 12490 times
Tom
Site Admin
Posts: 608
Joined: 09 Dec 2011, 19:17
Contact:

Re: new user connection issue

Post by Tom »

Have you tried adjusting the "Ini Timer Offset" value under Settings->Communication? Try positive and negative values and try connecting every time you make a change.

Also try the Find ECU function. See if you get any active ECU Ids.

Most Nissans from 2006 still use the k-line for diagnostics. The CAN bus would only be used for communication between the ECUs. Only around 2008-2009 Nissan started using CAN bus for diagnostics. There are some exceptions however.

Does the ABS wiring show a k-line pin on the ecu?

You have the correct adaptor and software for connecting via k-line.
Post Reply