Z32 VG30DET Timing dropped to 0

Discussions related to NDS I Windows PC software.
Post Reply
nik300zx
Posts: 2
Joined: 19 Dec 2019, 07:08

Z32 VG30DET Timing dropped to 0

Post by nik300zx »

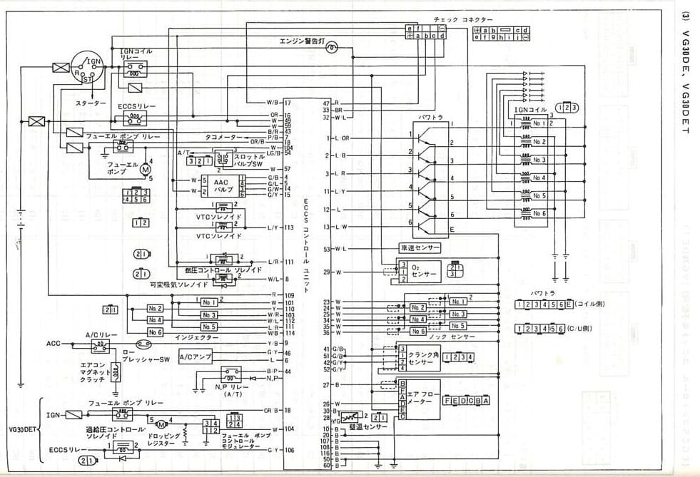
Hi guys. I use NDSI on my z32 (2+2) with swapped VG30DET (single turbo from nissan cedric PBY32). Right now I experience troubles with power of the engine. I have 10' bar compression in all 6 cylinders, spark plugs are new, fuel is OK, pressure is OK. Car doesn't give the power while driving. Yesterday I finally found something to catch to. I recorded logs and found that when i start accelerating (WOT moe), timing drops to 0, then slowly rising up to 6, then something happens and car catches moment of available power (timing is being 15) and shortly after that timing again drops and again lack of power. I didn't use a car for like 2 years.

My ideas: bad/fluctuating ECU power or ground, MAF, TPS, detonation sensors (there are 6 of them on VG30DET and they seem not to be changable). What do you think? Where would you suggest me to start from?
Attachments
SKMBT_C35106081511480_0041 (Custom).jpg
SKMBT_C35106081511480_0041 (Custom).jpg (96.27 KiB) Viewed 14719 times
1.jpg
1.jpg (114.13 KiB) Viewed 14719 times
Tom
Site Admin
Posts: 608
Joined: 09 Dec 2011, 19:17
Contact:

Re: Z32 VG30DET Timing dropped to 0

Post by Tom »

It does look like something is pulling the timing. Quite possibly the detonation sensors.
Do you get any fault codes?
Post Reply